eli mulla on bmw 316 vm89 ja pitäs hommaa uus kone siihen mutta sanoivat katsastuksessa ettei koneen vaihto enää nykyää onnistu? ja sitten vielä semmosta että käykö 316:sen 5-vaihteinen laatikko vaikka 318/320:seen koneeseen ku niissä on 4-vaihteinen ja tarviiko laittaa taakse levyt jos laittaa 320 tekniikan?
bmw 316 vm-89
Collapse
X
-
Koneen vaihto onnistuu kyllä. Sulla on M40 moottori ja siihen sopii M40 vaihteistot, eli e30 vm.88->316i, 318i ja e34 518i. Kaikkia tuon ikäisiä autoja on varmaan saanu 4-vaihteisena mutta kyllä yleisempi on 5-vaihteinen. e30 320i vaihteisto ei käy. Eikä tarvi levyjä taakse jos laittaa 320i moottorin, mutta jos vaihdat 320i moottorin (m20b20) niin loota menee vaihtoon myös.Corvette C4 LT4 TURBO
Ex. e46 320d touring, e36 M3, 328i cab, e30 2x316, 318i, 320i cab kv/tv, 320i touring, 320i 2d, 324td touring, e34 520i, e32 730i, 735i
-
Jos vaihdat koneen niin vaihdat koneen. Ei kai se muuta vaadi
, vai tarkotatko m20 koneen vaihtoo. Ei ehkä kannata ruveta m20b20 mottia laittaan. Tarvii muutoskatsastaa ja mielestäni turhan säätämiseks moisen ilon takia. Ei sekään mikään pyssy ole. Joten vaihda autoa jos haluat lisää tehoa.
Ja taitaa nuo m40 koneet olla aika paljon ajettuja ja rallattavia kaikki että eipä siitä koneen vaihdostakaan välttämättä paljoa iloa ole.Corvette C4 LT4 TURBO
Ex. e46 320d touring, e36 M3, 328i cab, e30 2x316, 318i, 320i cab kv/tv, 320i touring, 320i 2d, 324td touring, e34 520i, e32 730i, 735i
Comment
-
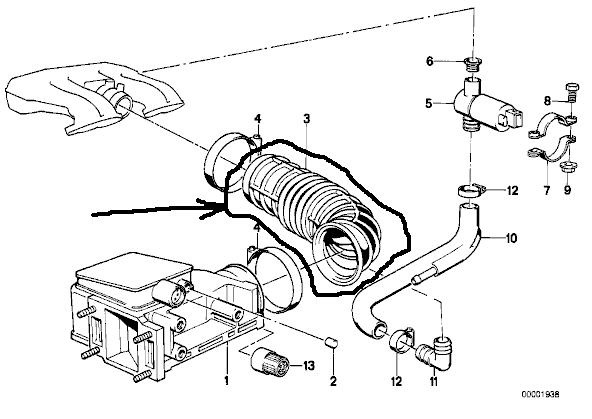
tarviin uuden imuilman putken vai mikä mahtaa olla nimeltään. seommonen kävi kans mielessä et mitä jos ton korvais sellasella sinisellä silikoniletkulla olisiko edelleen toiminnallisesti ja suorituskyvyltään ennallaan toi ilmanotto (ei kyllä haittaa lisätehotkaan) mut siihen pitäis sit saada se liitin sille ohuemmalle letkulle joka lähtee alaspäin siitä juuresta missä toi putki menee mottiin. eli onko tämmöinen mahdollista tai ylipäätänsä fiksua/ mistä uuden alkuperäisen putken saa? otsikkoa vastaava auto paitsi että ruiskukoneella (m40b16) vaikka ei kai sillä mitään eroa ole ton osan kanssa. kuva on tossa liitteenä.
Comment
-
Moro!Originally posted by migu8 View Posttarviin uuden imuilman putken vai mikä mahtaa olla nimeltään. seommonen kävi kans mielessä et mitä jos ton korvais sellasella sinisellä silikoniletkulla olisiko edelleen toiminnallisesti ja suorituskyvyltään ennallaan toi ilmanotto (ei kyllä haittaa lisätehotkaan) mut siihen pitäis sit saada se liitin sille ohuemmalle letkulle joka lähtee alaspäin siitä juuresta missä toi putki menee mottiin. eli onko tämmöinen mahdollista tai ylipäätänsä fiksua/ mistä uuden alkuperäisen putken saa? otsikkoa vastaava auto paitsi että ruiskukoneella (m40b16) vaikka ei kai sillä mitään eroa ole ton osan kanssa. kuva on tossa liitteenä.
BMW liikkeestä saat hamuamasi letkun
numerolla: 13 71 1 709 755 (BMW ovh 35€)
Mun mielestä sun ei kannata tuohon rahaan sinne mitään sinistä silikoniletkua patentoimaan vaikka se olis kuinka hieno silmään
ja toisekseen jos hankit jonku höpöhpö letkun sinne ja teet itse vaikka sikaflexillä tiivistäen sen pienemmän lähdön sinne alapuolelle niin ei siitä tiivistä tule, eikä ainakaan lisätehoa!
Ajossa: Citroën Jumper h1l2
Tallissa: E30 325 M-Tech 2 & E36 325 Coupé
Ex:
1x F30
1x E60
5x E36
1x E34
1x E46
2x E30
2x Toyota
1x Ford
1x Honda
Comment
-
Originally posted by kiraffi View PostMoro!
BMW liikkeestä saat hamuamasi letkun
numerolla: 13 71 1 709 755 (BMW ovh 35€)
Mun mielestä sun ei kannata tuohon rahaan sinne mitään sinistä silikoniletkua patentoimaan vaikka se olis kuinka hieno silmään
ja toisekseen jos hankit jonku höpöhpö letkun sinne ja teet itse vaikka sikaflexillä tiivistäen sen pienemmän lähdön sinne alapuolelle niin ei siitä tiivistä tule, eikä ainakaan lisätehoa!
kiitti näist tiedoist. misssä pääkaupunkiseudulla olis bmw-liike? tuusulassa ainakin on bemu oy mut onks tässä helsinkin/espoon lähellä mitään että vois hakee paikan päältä vai meneeks tilaamiseks?
Comment
-
-
Merteil herttoniemessä, olikohan mekaanikonkatu 9. Ai joo, kysy onko hyllyssä, ei voi tietää.Originally posted by migu8 View Postkiitti näist tiedoist. misssä pääkaupunkiseudulla olis bmw-liike? tuusulassa ainakin on bemu oy mut onks tässä helsinkin/espoon lähellä mitään että vois hakee paikan päältä vai meneeks tilaamiseks?
E. editti piti tulla tohon ekaan versioon??
Comment
Comment