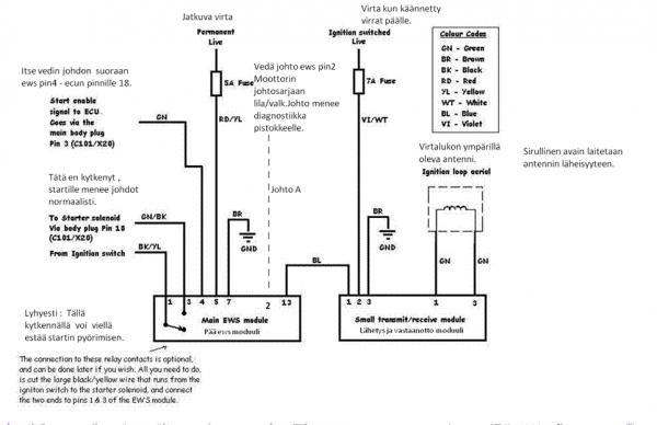
Tarvittavat osat/moduulit:
Pieni musta boksi, (lähetys ja vastaanotto moduuli.)
Pää Ews boksi.
Virtalukon ympärille tuleva antenni.
Avaimen jossa on siru.
Kytkennästä:
-Virrat ysiköille voi ryöstää sieltä minne tulee jatkuvana 12v ja toiselle yksikölle sellainen karva missä 12v kuin virrat käännetty päälle avaimesta.
-Jos kaikki käynnistykseneston osat ovat peräisin samasta autosta sinun ei tarvitse vetää johtoa A.
-Johto A vedetään vain jos osat (avain, moduuli tms.) ovat eri autoista, tässä tapauksessa auto on vietävä merkkiliikkeesen tms. jotta moduulit voidaan synkronisoida keskenään.
Muuta:
Tämä kytkentä toimii vain ns. EWS 2 version kanssa, jota käytetään e36 korimallissa.
Vm. 96-> e36 on käytössä Ews 3, kuuleman mukaan se on vaikeampi saada toimimaan mutta varmaa tietoa ei ole.
Tossa kuvat vähän isompana
kuva 1 http://s234.photobucket.com/albums/e...t=ewsimg17.gif
kuva 2 http://s234.photobucket.com/albums/e...52ewstoe30.jpg
Pieni musta boksi, (lähetys ja vastaanotto moduuli.)
Pää Ews boksi.
Virtalukon ympärille tuleva antenni.
Avaimen jossa on siru.
Kytkennästä:
-Virrat ysiköille voi ryöstää sieltä minne tulee jatkuvana 12v ja toiselle yksikölle sellainen karva missä 12v kuin virrat käännetty päälle avaimesta.
-Jos kaikki käynnistykseneston osat ovat peräisin samasta autosta sinun ei tarvitse vetää johtoa A.
-Johto A vedetään vain jos osat (avain, moduuli tms.) ovat eri autoista, tässä tapauksessa auto on vietävä merkkiliikkeesen tms. jotta moduulit voidaan synkronisoida keskenään.
Muuta:
Tämä kytkentä toimii vain ns. EWS 2 version kanssa, jota käytetään e36 korimallissa.
Vm. 96-> e36 on käytössä Ews 3, kuuleman mukaan se on vaikeampi saada toimimaan mutta varmaa tietoa ei ole.
Tossa kuvat vähän isompana
kuva 1 http://s234.photobucket.com/albums/e...t=ewsimg17.gif
kuva 2 http://s234.photobucket.com/albums/e...52ewstoe30.jpg
Comment