Juurikin noin. Perusympyrää voidaan toki hioa vain tietyn verran, että öljy vielä pääsee virtaamaan nostimeen normaalisti ja/tai nostin pystyy säätämään raon kiinni. En muista tarkalleen millaisen nokan pysty vielä vakio nostimilla hiomaan, että se vielä pelaa, mutta ainakin ne kmn:n hiotut nokat jotka ei pelannut oli reilusti rajummat, mitä tämä luku.
M52B28 Viritys ym Haaveilutopic
Collapse
This topic is closed.
X
X
-
Instagram, YouTube kanava
ms41, ms42, ms43, ms45, mss50, mss52, mss54, edc15, edc17, me7.2 jne. ews poistot ja muut softailut-> priva
-
Sisuskalujen puolesta on varaa pidentyä enemmänkin, mutta nokkapukkiin ne alkavat pohjata jossain vaiheessa. Kuvassa näkyy, että paininkuppi jää tuonne alemman laakeripinnan alle ja jos se pyrkii nousemaan ylemmäs, se ottaa kiinni.Originally posted by Remotion View PostOkei, tuo oli tuttua (ei selvästikään silti riittävästi) toi hydraulisen nostajan toiminta, mutta luulin että se jää kantamaan jos materiaalia otetaan pois. En tajunnut että niissä on varaa pidentyä. My bad



Paininkupin reiät voidaan porata tai vinguttaa läpi, jolloin paininkuppi mahtuu nousemaan ylemmäs. Raja tulee silloin vastaan siinä, että nokan perusympyrää ei voi pienentää pienemmäksi kuin nokan laakerikaulojen halkaisija, etteivät paininkupit ota kiinni laakerikauloihin. Toinen mahdollinen raja tulee siitä, kuinka ylös paininkuppi voi nousta ennenkuin sen öljyura alkaa vuotaa nokkapukin yläpuolisiin syvennyksiin. Läpiporaaminen kaventaa nokkapukin laakeripintaa alapuolelta, koska paininkupin reiät tulevat siitä läpi. Periaatteessa nokka-akseli ei kuitenkaan kohdista kuormaa näihin pintoihin, vaan venttiilijousten paineen vuoksi kuorma on yläpuolisilla laakeripinnoilla, eli laakerikansilla. Itse jäin miettimään sitä, onko läpiporaamisella haitallista vaikutusta nokan voiteluun.
Kun kyselin nokka-akseleiden hionnasta, niin vastaus oli, että M54/M50nv nokat voidaan hioa 1-1mm 230ast/10.7mm profiiliin (260 markkina-astetta) ilman, että nokkapukille tarvitsee tehdä mitään.
En ole itse mittaillut, miten nokkapukkien öljyurat sijoittuvat, vai onko öljylle vain pyöreä reikä mutta ilmeisesti viimeistään siinä vaiheessa, jos nokkapukit porataan läpi, on syytä varmistaa, että nostimet saavat öljyä yläasennossaan. Voi siis olla, että nostimien öljyreikiä nokkapukissa pitää jatkaa vähän ylemmäs. Tämä on toki hyvä varmistaa miedommillakin nokilla. Periaatteessa suht helppoa mitata, kun panee nokan pukkiinsa ja mittailee alapuolelta etäisyyttä nokan perusympyrän pinnasta öljyreikään ja vertaa sitä paininkupeissa olevan öljyuran sijaintiin.Last edited by Skarpa; 22-12-2016, 12:56.
Comment
-
Onko S52 imunokan ajaminen normi M52 pakonokan kera kuolleena syntynyt ajatus? Varsinkin siis kun raikkaammin virtaava pakosarja siinä jatkona.
Comment
-
En usko, että se kuolleena syntynyt ajatus on, kyllähän sillä varmasti viritysvaikutusta on vakionokkaan verrattuna, mutta yläpäästä jää kyllä tehoa puttumaan versus jyrkempi pakonokka.Originally posted by Remotion View PostOnko S52 imunokan ajaminen normi M52 pakonokan kera kuolleena syntynyt ajatus? Varsinkin siis kun raikkaammin virtaava pakosarja siinä jatkona.
Comment
-
Kun tuolla vanhassa topikissa oli tuota maffin skaalausta vastuksella. Niin en nyt oikeen käsitä miten sen vastuksen lisääminen johdon väliin muuttaisi sitä mittarin riittävyyttä? Vai minne sitä vastusta oikein ollaan lisäämässä?
Kun jos mittari menee ilmamäärällä x tappiin ja antaa sen 5v. Ja jos se vastus tulee eculle menevän singnaalijohdon väliin, niin maffihan on tapissa kuitenkin tuolla täysin samalla ilmamäärällä x ja antaa ulos 5v. Ainoastaan eculle menevä jännite laskee eikä saavuta koskaan tuota 5v!
Comment
-
Taisi olla niin, että anturi olisi kykeneväinen 0-12V signaaliin, mutta siitä käytetään vain 0-5V osuutta.Originally posted by EMP View PostKun tuolla vanhassa topikissa oli tuota maffin skaalausta vastuksella. Niin en nyt oikeen käsitä miten sen vastuksen lisääminen johdon väliin muuttaisi sitä mittarin riittävyyttä? Vai minne sitä vastusta oikein ollaan lisäämässä?
Kun jos mittari menee ilmamäärällä x tappiin ja antaa sen 5v. Ja jos se vastus tulee eculle menevän singnaalijohdon väliin, niin maffihan on tapissa kuitenkin tuolla täysin samalla ilmamäärällä x ja antaa ulos 5v. Ainoastaan eculle menevä jännite laskee eikä saavuta koskaan tuota 5v!
Comment
-
Koska maf toimii 12v jännitteellä ja se pystyy antamaan suurempaakin jännitettä kuin 5v. ECU:n ADC pystyy kuitenkin mittaamaan vain maksimissaan 5v jännitettä.Originally posted by EMP View PostKun tuolla vanhassa topikissa oli tuota maffin skaalausta vastuksella. Niin en nyt oikeen käsitä miten sen vastuksen lisääminen johdon väliin muuttaisi sitä mittarin riittävyyttä? Vai minne sitä vastusta oikein ollaan lisäämässä?
Kun jos mittari menee ilmamäärällä x tappiin ja antaa sen 5v. Ja jos se vastus tulee eculle menevän singnaalijohdon väliin, niin maffihan on tapissa kuitenkin tuolla täysin samalla ilmamäärällä x ja antaa ulos 5v. Ainoastaan eculle menevä jännite laskee eikä saavuta koskaan tuota 5v!
Mutta siis tämä vain netistä luettua höpinää. Minulla on ainakin tutkinta asian osalta kesken. Ainakin se väite että vastus tulisi laittaa keltaiseen johtoon ei pitänyt paikkansa ekassa testissä.
Instagram, YouTube kanava
ms41, ms42, ms43, ms45, mss50, mss52, mss54, edc15, edc17, me7.2 jne. ews poistot ja muut softailut-> priva
Comment
-
Eikös tuolle maffille tule eculta juurikin tuo 5v jännite erikseen mistä se tuon 0-5v singnaalin tekee?Originally posted by Skarpa View PostTaisi olla niin, että anturi olisi kykeneväinen 0-12V signaaliin, mutta siitä käytetään vain 0-5V osuutta.
Eli liittimessä olis 12v akulta, 5v eculta, maa ja sitten tuo singnaali eculle!?
Comment
-
Ei tuu viittä volttia ecu:lta. Ainakaan ms41 tapauksessa. Vaikuttais että MAF:ssa on oma jänniteregulaattori, joka reguloi akkujännitteen johonkin x-arvoon. Mutta en kehdannut tuota ehjää MAF:ia purkaa että mitä se on syönyt. Tämä keltainen oletettu signaalipiuha vaikutti aivan turhalta, koska MAF jännite ei testolla katsottuna muuttunut, vaikka koko piuhan katkaisi poikki.Originally posted by EMP View PostEikös tuolle maffille tule eculta juurikin tuo 5v jännite erikseen mistä se tuon 0-5v singnaalin tekee?
Eli liittimessä olis 12v akulta, 5v eculta, maa ja sitten tuo singnaali eculle!?
Instagram, YouTube kanava
ms41, ms42, ms43, ms45, mss50, mss52, mss54, edc15, edc17, me7.2 jne. ews poistot ja muut softailut-> priva
Comment
-
Ok. Siinä tapauksessa tuo voi toimiakin.Originally posted by Pazi88 View PostEi tuu viittä volttia ecu:lta. Ainakaan ms41 tapauksessa. Vaikuttais että MAF:ssa on oma jänniteregulaattori, joka reguloi akkujännitteen johonkin x-arvoon. Mutta en kehdannut tuota ehjää MAF:ia purkaa että mitä se on syönyt. Tämä keltainen oletettu signaalipiuha vaikutti aivan turhalta, koska MAF jännite ei testolla katsottuna muuttunut, vaikka koko piuhan katkaisi poikki.
Katoin vaan jotain netisyä löytämääni kytkentäkaaviota jossa oli tuo 5v. Ja sitten se 12v käyttöjännite maffille. Siinä oli vaan että tuota 5v jännitettä säädettiin maatavasten, jolloin saatiin tuo 0-5v.
Ilmeisesti tuo ei siis ollut oikea kaavio.
Comment
-
Laitakko linkin tähän ihan mielenkiinnosta?Originally posted by EMP View PostOk. Siinä tapauksessa tuo voi toimiakin.
Katoin vaan jotain netisyä löytämääni kytkentäkaaviota jossa oli tuo 5v. Ja sitten se 12v käyttöjännite maffille. Siinä oli vaan että tuota 5v jännitettä säädettiin maatavasten, jolloin saatiin tuo 0-5v.
Ilmeisesti tuo ei siis ollut oikea kaavio.
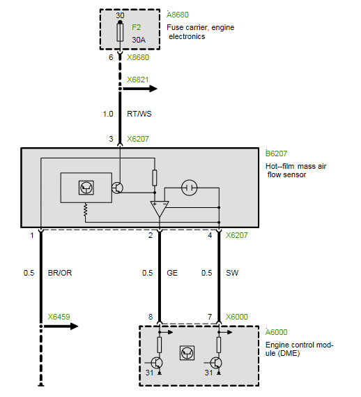
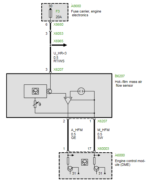
EDIT WDS kuvan mukaan ei ainakaan tulisi 5v kuten itsekkin totesin:
Mielenkiinnosta vielä TU koneen MAF, jossa yks piuha vähemmän.
Mitenhän lie luotettavia nuo WDS:n sisäiset kuvaajat. Näyttäisi että MAF:n sisällä olisi operaatiovahvistin, mutta nyt en äkkiä osaa päässä miettiä mitä se tekee tuossa. Äkkiseltään näyttäsi että ois kytketty negatiivisella feedbäkillä, mutta ei kummiskaan, kun johto ei mene Vout pinniin :think MAF signaali ois kummiskin suoraan yhteydessä mustaan johtoon, mutta mitä keltaisessa sitten tapahtuu :think
EDIT oiskohan tuon operaatio vahvistimen idea, että se toimii komparaattorina MAF jännitteelle, jolloin itse ilmamäärän mukaan muuttuvan vastuksen läpi ei kulkisi virtaa, joka mahdollisesti muuttaisi mitattua arvoa jos näin kävisi :thinkLast edited by Pazi88; 22-12-2016, 16:22.
Instagram, YouTube kanava
ms41, ms42, ms43, ms45, mss50, mss52, mss54, edc15, edc17, me7.2 jne. ews poistot ja muut softailut-> priva
Comment
-
Voisin kyllä laittaa linkin, mutta kun katsoin tuota joku päivä sitten enkä nyt löydä mistään uudestaan sitä kuvaa.Originally posted by Pazi88 View PostLaitakko linkin tähän ihan mielenkiinnosta?
EDIT oiskohan tuon operaatio vahvistimen idea, että se toimii komparaattorina MAF jännitteelle, jolloin itse ilmamäärän mukaan muuttuvan vastuksen läpi ei kulkisi virtaa, joka mahdollisesti muuttaisi mitattua arvoa jos näin kävisi :think
Uskoisin sen olevan noin että se virta ei kulje sen muuttuvan vastuksen läpi suoraan.
Comment
-
Jossain oli tehty niin että vastus oli kahden maf-piuhan välillä ennen MAF:ia ei kuitenkaan varmaan 12 ja 0 välillä sillä silloinhan jännite olisi kuitenkin sama kuten se aina rinnankytkennässä on. Eli se on ilmeisesti jossain toisessa piuhassa tällöin osa sisäisestä resistanssista ja siten jännitteestä jakautuu siihen ja vähemmän jää MAF:ille.Originally posted by Pazi88 View PostEi tuu viittä volttia ecu:lta. Ainakaan ms41 tapauksessa. Vaikuttais että MAF:ssa on oma jänniteregulaattori, joka reguloi akkujännitteen johonkin x-arvoon. Mutta en kehdannut tuota ehjää MAF:ia purkaa että mitä se on syönyt. Tämä keltainen oletettu signaalipiuha vaikutti aivan turhalta, koska MAF jännite ei testolla katsottuna muuttunut, vaikka koko piuhan katkaisi poikki.
MAF:ihan ei osaa sähköä varmaankaan tuottaa vaan ainoastaan se vastustaa sähköä, ja sitä vähemmän mitä enemmän ilmaa liikkuu siitä ohi. Tämä pääteltynä siitä että jännite nousee. Älkää kysykö miksi ja miten se toimii.
nyt jos Ennen MAFin jännitettä lasketaan vastuksella, kun se nyt on jollain tapaa siellä sarjassa, niin se vastus syö siitä ennalta tiedetyn osuuden, esim jos vastusarvo on kymmenesosa MAF:in resistanssista (todnäks induktanssista) niin silloin MAF enää tuottaa samalla virtauksella vain 90% siitä jännitteestä mitä aiemmin. Eli siinä kohtaa missä se ennen menisi 5V tukkoon 725kg/h ilmanvirtauksella niin lisäämällä vastus saadaankin samalla virtauksella vasta 4,5V ja siten riittää vielä skaalaa lukea isompia ilmamääriä jonnekin 800kg/h tienoille. Tietysti nyt ECU näkee että jaahas vain 4,5V, annetaampa saman verran bensaa. Tämä pitää korjata karttoihin kertomalla luvut niin että uuden alemman jännitteen numerot vastaavatkin vanhoja korkeamman jännitteen lukuja.
Tämä nyt oli täysin tökerösti selitetty ja itsellekin melkomysteeri joten mutua piisaa.
Comment
-
Ecun pinniluetteloiden mukaan pin7 olisi maa maffille ja pinni 8 maffin singnaali sisään.Originally posted by Pazi88 View PostEDIT WDS kuvan mukaan ei ainakaan tulisi 5v kuten itsekkin totesin:
Mihin tuo maffin pin1 johto menee?
Comment
Comment